0,55 kW 3000 rpm PMSM Motor
Basic Information:
Our General Purpose PMSM Motors offer high efficiency, compact size and reliable torque performance across a wide range of industrial and commercial applications. Designed for ease of integration, these motors are ideal for conveyor systems, pumps, HVAC equipment, automation solutions and more. Their brushless structure ensures low maintenance needs and long service life.
|
PARAMETERS |
|
Nominal Voltage: 220 V |
|
Nominal Speed: 3000 rpm |
|
Nominal Torque: 1.75 Nm |
|
Continuous Power: 550 W |
|
Shaft Diameter: 14mm |
|
Lenght: 250 mm |
0,55 kW 3000 rpm PMSM Motor
Basic Information:
Our General Purpose PMSM Motors offer high efficiency, compact size and reliable torque performance across a wide range of industrial and commercial applications. Designed for ease of integration, these motors are ideal for conveyor systems, pumps, HVAC equipment, automation solutions and more. Their brushless structure ensures low maintenance needs and long service life.
|
PARAMETERS |
|
Nominal Voltage: 220 V |
|
Nominal Speed: 3000 rpm |
|
Nominal Torque: 1.75 Nm |
|
Continuous Power: 550 W |
|
Shaft Diameter: 14mm |
|
Lenght: 250 mm |
0,55 kW 3000 rpm PMSM Motor
Basic Information:
Our General Purpose PMSM Motors offer high efficiency, compact size and reliable torque performance across a wide range of industrial and commercial applications. Designed for ease of integration, these motors are ideal for conveyor systems, pumps, HVAC equipment, automation solutions and more. Their brushless structure ensures low maintenance needs and long service life.
|
PARAMETERS |
|
Nominal Voltage: 220 V |
|
Nominal Speed: 3000 rpm |
|
Nominal Torque: 1.75 Nm |
|
Continuous Power: 550 W |
|
Shaft Diameter: 14mm |
|
Lenght: 250 mm |
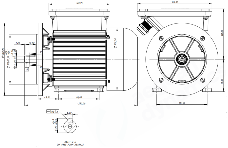
0,55 kW 3000 rpm PMSM Motor

| Basic Motor Parameters | ||
|---|---|---|
| Rated Power | W | 550 |
| Rated Speed | rpm | 3000 |
| Rated Torque | Nm | 1.75 |
| Rated Current | A | 5.2 |
| Rated Voltage | V | 220 |
| No-Load Speed | rpm | 3300 |
| Max. Efficiency | % | 80 |
| Electrical Parameters | ||
| Number of Phases | 3 | |
| Number of Poles | 10 | |
| Torque Constant (KT) | Nm/A | 1.1 |
| Back EMF Constant (KE) | Vs/rad | 0.9 |
| Terminal Resistance Phase to Phase (±%10) | mΩ | 2.2 |
| Terminal Inductance Phase to Phase (±%30) | mH | 4.5 |
| Thermal Data | ||
| Ambient Temperature | °C | -40...+85 |
| Max. Winding Temperature | °C | +155 |
| Physical Parameters | ||
| Outer Diameter | mm | 138 |
| Shaft Diameter | mm | 14 |
| Max. Length | mm | 250 |
| Weight | gr | ~3500 |
| Motor Connection | ||
| U, V, W | M20 Cable Gland | |
| Sensor Connection | ||
| N/A | N/A | |
| Connector Articles | ||
| Power | N/A | |
| Signal | N/A | |
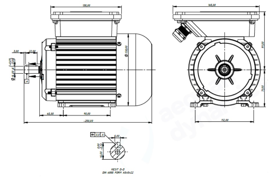
220V 550W 3000 rpm GMM PM Motor B5

| Basic Motor Parameters | ||
|---|---|---|
| Rated Power | W | 550 |
| Rated Speed | rpm | 3000 |
| Rated Torque | Nm | 1.75 |
| Rated Current | A | 5.2 |
| Rated Voltage | V | 220 |
| No-Load Speed | rpm | 3300 |
| Max. Efficiency | % | 80 |
| Electrical Parameters | ||
| Number of Phases | 3 | |
| Number of Poles | 10 | |
| Torque Constant (KT) | Nm/A | 1.1 |
| Back EMF Constant (KE) | Vs/rad | 0.9 |
| Terminal Resistance Phase to Phase (±%10) | mΩ | 2.2 |
| Terminal Inductance Phase to Phase (±%30) | mH | 4.5 |
| Thermal Data | ||
| Ambient Temperature | °C | -40...+85 |
| Max. Winding Temperature | °C | +155 |
| Physical Parameters | ||
| Outer Diameter | mm | 138 |
| Shaft Diameter | mm | 14 |
| Max. Length | mm | 250 |
| Weight | gr | ~3500 |
| Motor Connection | ||
| U, V, W | M20 Cable Gland | |
| Sensor Connection | ||
| N/A | N/A | |
| Connector Articles | ||
| Power | N/A | |
| Signal | N/A | |
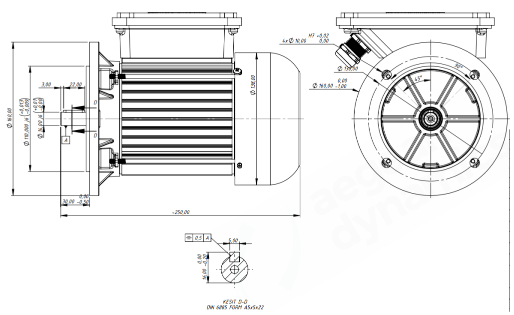
220V 550W 3000 rpm GMM PM Motor B35

| Basic Motor Parameters | ||
|---|---|---|
| Rated Power | W | 550 |
| Rated Speed | rpm | 3000 |
| Rated Torque | Nm | 1.75 |
| Rated Current | A | 5.2 |
| Rated Voltage | V | 220 |
| No-Load Speed | rpm | 3300 |
| Max. Efficiency | % | 80 |
| Electrical Parameters | ||
| Number of Phases | 3 | |
| Number of Poles | 10 | |
| Torque Constant (KT) | Nm/A | 1.1 |
| Back EMF Constant (KE) | Vs/rad | 0.9 |
| Terminal Resistance Phase to Phase (±%10) | mΩ | 2.2 |
| Terminal Inductance Phase to Phase (±%30) | mH | 4.5 |
| Thermal Data | ||
| Ambient Temperature | °C | -40...+85 |
| Max. Winding Temperature | °C | +155 |
| Physical Parameters | ||
| Outer Diameter | mm | 138 |
| Shaft Diameter | mm | 14 |
| Max. Length | mm | 250 |
| Weight | gr | ~3500 |
| Motor Connection | ||
| U, V, W | M20 Cable Gland | |
| Sensor Connection | ||
| N/A | N/A | |
| Connector Articles | ||
| Power | N/A | |
| Signal | N/A | |